齿轮论坛 www.gearbbs.com

 找回密码
 注册
搜索
查看: 262|回复: 6
收起左侧

金属蜗杆配塑胶斜齿的噪音问题

[复制链接]
发表于 2026-2-28 17:07 | 显示全部楼层 |阅读模式

本帖子中包含更多资源。

您需要 登录 才可以下载或查看,没有账号?注册

x
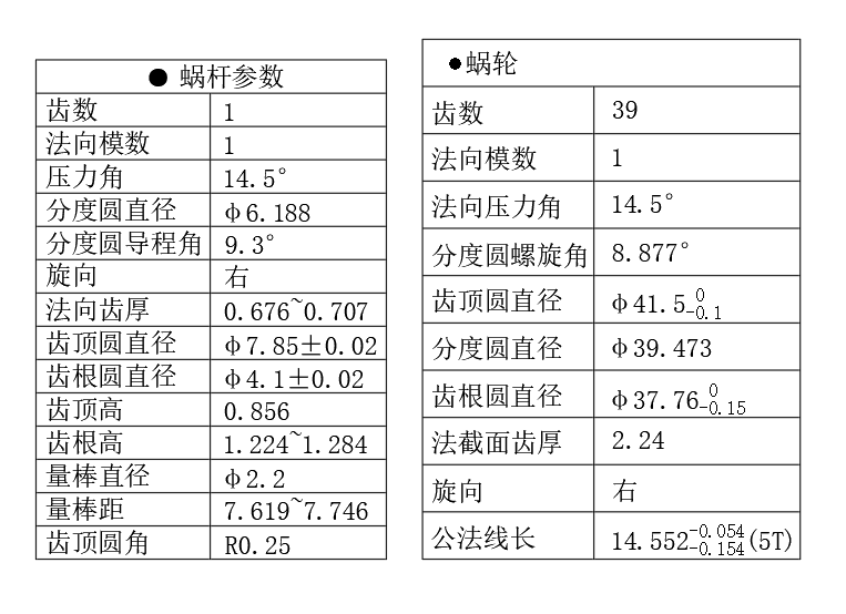
企业微信截图_1772267794122.png 6692867310d662d72185fa75d2924027.jpg
1.中心距23±0.05,啮合时,有刷刷的摩擦音或是乌拉乌拉的声音,中间我直接拿了一个同类型产品电机装上去这种声音消失了(无意之举),但那个电机的压力角是5°的,轴芯具体参数未知,而且我看了大部分同类产品都是5°压力角,是不是压力角对噪音的影响比较大?论坛内只有几篇谈到这个问题,我没有相关经验;
2.本人能力实在有限,针对齿轮设计方面纯小白,大部分不成体系的片面知识,以上也是kisssoft直接导出生产(非常胆大妄为了!),其他的参数配合也存在相同问题,就不一一发出来了,望请各位老师赐教,目前公司主要做电动推杆,负责传动部分的设计(只有一杯水的能力)愿意有偿请各位设计配套参数,目前17.5、20.6、23中心距,分别对应29齿、35齿、39齿蜗轮,蜗杆分单头和双头两种,电机转速基本在3000RPM,轴芯扭矩0.2~0.35Nm,噪音要求比较高(≤40dB)
3.还有一个请求,从了解这个论坛开始,陆续看了很多帖子,天外有天,很多老师和前辈们很厉害,研究的很深奥,我大部分是看的一知半解,没有很扎实的理论基础,相关书籍也看了不少,但没有自己的归纳总结,缓慢且迷惑,甚至都是散碎的信息,学校里也学到些,基本都是很基础的(直齿轮基础),想学也愿意学,我应该从哪里开始,有很多小的疑问和不解,目前处于迷茫状态,请老师指正,想去做一个知其然知其所以然的设计者
 楼主| 发表于 2026-3-2 10:20 | 显示全部楼层
请各位帮忙分析,感激不尽!
发表于 2026-3-2 10:46 | 显示全部楼层
齿轮接触区严重不良(有齿廓精度测量报告吗)。
蜗杆齿面粗糙度及轮廓度(有测量报告吗)。
本款设计制造的传动“初期噪音不良”,耐久也不会达到预期的!
 楼主| 发表于 2026-3-2 13:12 | 显示全部楼层
谢晃-齿轮工程技术 发表于 2026-3-2 10:46
齿轮接触区严重不良(有齿廓精度测量报告吗)。
蜗杆齿面粗糙度及轮廓度(有测量报告吗)。
本款设计制造 ...

这个是塑胶齿轮的检测报告

T-05-00032-1 20260130_104945.pdf

10.94 MB, 下载次数: 13, 下载积分: 齿轮币 -2 枚

报告

发表于 2026-3-2 20:51 | 显示全部楼层
汪成舟 发表于 2026-3-2 13:12
这个是塑胶齿轮的检测报告

上图啊(浪费大家的币)

      1、 我还是下载看了一下(齿形中凹0.005、齿向锥度偏差达0.03,无累积误差报告).
      2、无蜗杆齿廓精度、波纹度、粗糙度及导程误差检测报告。

发表于 2026-3-7 08:12 | 显示全部楼层
用5度压力角的蜗杆与14.5压力角的蜗轮啮合,基节不等能很好啮合?还没噪音?
发表于 2026-3-30 15:08 | 显示全部楼层
螺旋角不一致
您需要登录后才可以回帖 登录 | 注册

本版积分规则

QQ|小黑屋|手机版|Archiver|齿轮论坛 www.gearbbs.com

GMT+8, 2026-4-18 14:37 , Processed in 2.337452 second(s), 23 queries .

Powered by Discuz! X3.4 Licensed

© 2001-2023 Discuz! Team.

快速回复 返回顶部 返回列表