齿轮论坛 www.gearbbs.com

 找回密码
 注册
搜索
查看: 235|回复: 4
收起左侧

需求厂家合作

[复制链接]
发表于 2025-12-15 11:26 | 显示全部楼层 |阅读模式

本帖子中包含更多资源。

您需要 登录 才可以下载或查看,没有账号?注册

x
寻找能合作的供应商。有的联系VX:331263679

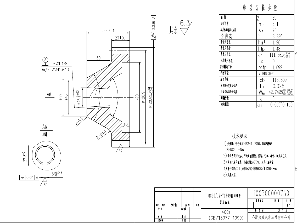
QC50-17-YCK09驱动齿轮.pdf

89.96 KB, 下载次数: 24, 下载积分: 齿轮币 -2 枚

发表于 2025-12-17 10:25 | 显示全部楼层
上图(图片),不要浪费坛友的币嘛。
发表于 2025-12-18 13:31 | 显示全部楼层
发表于 2026-2-6 14:15 | 显示全部楼层
截个图,替大家省点齿轮币,不过这个版区不是锥齿轮么

齿轮图纸截图

齿轮图纸截图
发表于 2026-2-7 11:13 | 显示全部楼层
生产批量?

齿面精滚?

齿轮运作传动工况(扭矩?转速?噪音指标)?
您需要登录后才可以回帖 登录 | 注册

本版积分规则

QQ|小黑屋|手机版|Archiver|齿轮论坛 www.gearbbs.com

GMT+8, 2026-4-18 14:37 , Processed in 1.926411 second(s), 24 queries .

Powered by Discuz! X3.4 Licensed

© 2001-2023 Discuz! Team.

快速回复 返回顶部 返回列表