齿轮论坛 www.gearbbs.com

 找回密码
 注册
搜索
查看: 377|回复: 6
收起左侧

蜗杆类零件的正确标注(制图)问题

[复制链接]
发表于 2025-8-26 15:41 来自手机 | 显示全部楼层 |阅读模式

本帖子中包含更多资源。

您需要 登录 才可以下载或查看,没有账号?注册

x
最近和一些朋友交流,发现很多蜗杆类零件的标注很不规范,这里不规范是指描述结果不唯一性(缺必要参数),参数模糊性(法向轴向不分)。
这块目前好像标准化并不规范,缺少这指导性的标准。大家是怎么看的?
发表于 2025-8-27 08:15 | 显示全部楼层
你可以放一张图上来,大家一起讨论学习下。
 楼主| 发表于 2025-8-27 12:16 来自手机 | 显示全部楼层
雨天buff 发表于 2025-8-27 08:15
你可以放一张图上来,大家一起讨论学习下。

我也要整理整理后续可能会发b站。可以关注下b站 天大鉴哥,一起学习齿轮
发表于 2025-9-7 21:28 | 显示全部楼层
66666666666666666666666
发表于 2025-10-9 16:03 | 显示全部楼层
齿轮默认是法向,蜗杆默认是轴向。

图纸上参数不对,往往是炒别人的,并不是自己设计,特别是蜗杆没有标明齿厚或M值,导致猜迷式制作。
发表于 2025-10-10 11:07 | 显示全部楼层
齿轮默认是法向,蜗杆默认是轴向。

图纸上参数不对,往往是炒别人的,并不是自己设计,特别是蜗杆没有标明齿厚或M值,导致猜迷式制作。
发表于 2025-11-25 14:36 | 显示全部楼层
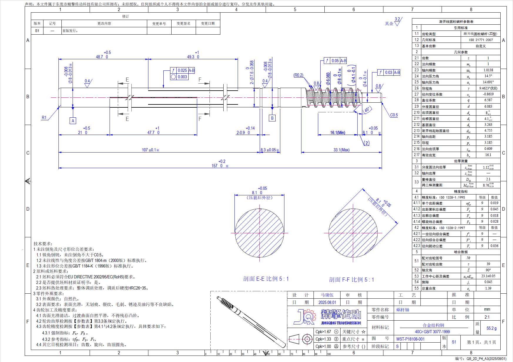
其实是看设计者自己的问题了!
我设计的图纸,对此问题给出的比较详细!
0001.png
您需要登录后才可以回帖 登录 | 注册

本版积分规则

QQ|小黑屋|手机版|Archiver|齿轮论坛 www.gearbbs.com

GMT+8, 2026-4-18 14:36 , Processed in 1.438584 second(s), 23 queries .

Powered by Discuz! X3.4 Licensed

© 2001-2023 Discuz! Team.

快速回复 返回顶部 返回列表